Views: 12 Author: Site Editor Publish Time: 2023-12-27 Origin: Site
In power electronics, rectification is a form of electrical energy conversion that converts alternating current (AC) into direct current (DC).After the ac signal enters the rectifier circuit composed of power diodes, the resulting original rectified waveform emits a series of half-sine waves with significant ripples.In order to minimize the pulsation of the dc voltage, the dc filter capacitor needs to be placed at the rectifier output and the load is connected in parallel.When the rectifier voltage rises, the capacitor charges like a reservoir and stores energy; when the rectifier voltage drops, the capacitor discharges, greatly reducing the ripple voltage.

Figure 1. Effect of rectification and DC filter capacitors on voltage
In the field of electric vehicles (EV), dc filter capacitors are often used in on-board chargers (OBCs), which are responsible for converting ac power from the grid into dc power to charge the vehicle's battery. As shown in Figure 2a, the process includes the following steps:
• Step 1: Anti-electromagnetic interference (EMI) filters protect the vehicle's electronic equipment by absorbing interference signals on the ac line.
• Step 2: The rectifier converts the ac voltage to dc voltage using power diodes.
• Step 3: Power factor correction (PFC) regulates the input current of the power supply to maximize efficiency and reduce harmonics.
• Step 4: The generated dc voltage is adjusted up or down to provide the appropriate dc voltage level to the battery.

Figure 2a. Functional blocks of the OBC subsystem

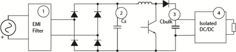
Figure 2b. Simplified schematic of the AC/DC stage of the OBC
In Figure 2b, the dc filter capacitor Cs is placed after the rectifier and is used as the PFC input capacitor.In order to handle the 3.3 kilowatts to 7.7 kilowatts of grid power used by small vehicles, the capacitor must have a relatively high capacitance value, in the range of microfarads.We usually support Knowles Capacitors (KPD) large value, small size multilayer ceramic capacitors (MLCC), such as StackiCap™ series products equipped with FlexiCap™ flexible terminals (205V-2kV/0.1μF-1μF/ X7R) .
DC filter capacitors play an important role in today's automotive electronics applications that require power supply rectification, so it is important to find adapting components that comply with AEC-Q200 standards and other automotive industry standards.